|
自力式溫度調節閥產品概述: ZZWP自力式溫度調節閥不需外界能源而進行溫度自動調節。它適用于蒸汽、熱水、熱油、冷卻水等為介質的各種工藝及換熱、冷卻工況。廣泛應用于供暖、空調、生活熱水中的溫度自動調節,以及特殊工況如石油、化工、紡織、制藥、食品等生產工程。
自力式溫度調節閥工作原理: ZZWP自力式溫度調節閥利用液體受熱膨脹及液體不可壓縮的原理實現自動調節,控制作用為比例調節。被控介質溫度變化時,傳感器內的感溫液體體積隨著膨脹或收縮;被控介質溫度高于設定值時,感溫液體膨脹,推動閥芯向下關閉閥門,減少熱媒的流量;被控介質的溫度低于設定值時,感溫液體收縮,復位彈簧推動閥芯開啟,實現溫度的平衡控制;冷卻閥與之相反,高于溫度設定值打開 低于溫度設定值關閉;三通閥一個進口,兩個出口為分流,兩個進 口一個出口為合流。從而實現溫度的自動控制。 自力式溫度調節閥外形尺寸:

1、閥體 2、隔熱架 3、執行機構 4、溫度刻度標尺 5、調溫孔 6、導管 7、感溫包壓塞聯母等 8、溫度感溫包 調節閥溫度控制范圍表: 用于生活熱水供應 | 30-90℃ | 用于采暖、中央空調供暖 | 40-100℃ | 用于除氧器等生產工藝過程 | 80-110℃ |
ZZWP-16B加熱型自力式溫度調節閥: 材 質 | 閥體:球鐵、鑄鋼、不銹鋼 |  |
| 閥桿閥芯:304 不銹鋼 |
| 感溫包:304 不銹鋼 | 公稱通徑 | 螺紋(15-65)mm、法蘭(15-200)mm | 公稱壓力 | 1.6-2.5MPa | 工作溫度 | -20-350℃ | 溫控范圍 | 28℃-110℃ | 導管長度 | 標配 3.2 米(定制 5-12 米) | 適用介質 | 蒸汽、熱水、熱油 | 控制精度 | ± 2℃(循環系統) ± 5℃(無循環) | 閥桿密封 | 石墨、四氟、壓塞 V 型高溫組件 |
ZZWP-16K冷卻型自力式溫度調節閥: 材 質 | 閥體:球鐵、鑄鋼、不銹鋼 | 
|
| 閥桿閥芯:304 不銹鋼 |
| 感溫包:304 不銹鋼 | 公稱通徑 | 法蘭(15-200)mm(螺紋訂制) | 公稱壓力 | 1.6-2.5MPa | 工作溫度 | -20-350℃ | 溫控范圍 | 28℃-110℃ | 導管長度 | 標配 3.2 米(定制 5-12 米) | 適用介質 | 水、油、冷卻液、制冷劑 | 控制精度 | ± 2℃ | 閥桿密封 | 石墨、四氟、壓塞 V 型高溫組件 |
ZZWP-16X/Q三通分流合流型自力式溫度調節閥: 材 質 | 閥體:球鐵、鑄鋼、不銹鋼 | 
|
| 閥桿閥芯:304 不銹鋼 |
| 感溫包:304 不銹鋼 | 公稱通徑 | 25-200mm | 公稱壓力 | 1.6-2.5MPa | 工作溫度 | -10-180℃ | 溫控范圍 | 28℃-90℃ | 導管長度 | 標配 3.2 米(定制 5-12 米) | 適用介質 | 冷水、熱水、蒸汽 | 控制精度 | ± 2℃ | 閥桿密封 | 石墨、四氟、壓塞 V 型高溫組件 |
典型安裝案例圖 
圖7-1 換熱器安裝系統圖

圖7-2 蒸汽直噴式自力式溫控閥安裝示意圖 
本溫度調節閥在工作狀態下起到溫度調節作用,如果是生活用水或洗浴系統,必須安裝循環系統,在洗浴時如果分時段洗浴必須在洗浴結束后(一段時間不用)關閉蒸汽截止閥。
圖7-3 自力式溫度調節閥生活用水或洗浴換熱系統

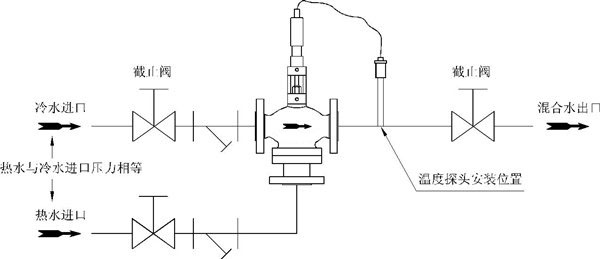
圖7-4 自力式三通分流型溫控閥安裝原理圖

圖7-5 自力式三通合流型溫控閥安裝原理圖
錯誤安裝 
自力式溫度調節閥安裝指導: 1.閥體安裝 (1)閥體應水平安裝在一次熱媒的入口處,閥桿朝上,并確保執行 器垂直安裝。 (2)閥前應安裝過濾器,過濾器精度盡量選用高目數。 (3)前后安裝手動截至閥,閥側應安裝旁通,并安裝手動截至閥。 (4)閥前蒸汽的******工作范圍為 0.3~0.7Mpa。 (5)標準安裝方式如圖所示: 建議: (1) 蒸汽壓力過高,建議閥前安裝減壓調節閥 (2)如閥前無溫度壓力表,建議加裝,以便分析設備工作狀況 (2) 閥體口徑≥DN100 時,建議主干管道安裝固定支架,或下部安 裝活動支架 2.感溫探頭安裝 1.感溫探頭裝于換熱器出口附近或出水管道上安裝時切勿將閥桿碰傷 感溫探頭一定與絲座緊密安裝,并保證無泄漏和脫落的可能 。 (如圖)

3.執行器的安裝 (1)順毛細管卷繞的方向將導管自然展開 (2)將閥桿用力按至底部,如力量不夠,請借助輔助工具,如 角鐵等。 (3)將執行器總成安裝于閥體上,將壓緊聯接螺母按順時 針方向旋轉直至背死,確保隔熱架與閥體連接緊固,即完成安裝工作(見圖示)

自力式溫度調節閥調試和使用: 溫控閥出廠時已根據用戶要求設定溫度。如果用戶事先無要求, 則出廠時溫度默認值為 60℃,用戶可直接使用。用戶也可根據現場 要求自行調節,調整時應關閉熱源,等待傳感器所測溫度降至需設 定溫度以下時方可調整。 警告: 溫控閥本身是一種精密調節儀器,不可用做普通截止閥或當作 閥門使用,停止工作時必須手動關閉熱媒介質,并確保無泄漏。 危險: 用于洗澡系統時需安裝循環系統,若無循環系統,必須加裝儲 熱罐或水箱,以防止局部水溫過高。 系統應用 (1)產品出廠前已經按照用戶的要求和用途設定好了溫度,用 戶在關閉旁通管路后,可直接使用本產品。 (2)建議開啟的順序為:先開啟循環泵,使整個被加熱水系統 運轉起來,再少許打開熱媒進口截止閥,使被加熱水系統的溫度逐 漸升高。待溫度接近設定溫度時,全部打開截止閥。 (3)初始啟用時,溫度會有一定的波動,經過短期的運行,即可達到穩定的工作狀態。本產品上的溫度指示標牌為出廠設定溫度,謹供用戶調節時參考,它并不代表實際溫度,實際溫度應以現場的溫度計讀數為準。 (4)在使用中溫度如有偏差或用戶需要改變設定溫度時,可以 進行調節。將調節扳手插入調溫旋鈕的調節孔內,由低溫向高溫調 節時逆時針轉動調節扳手;由高溫向低溫調節時,需等待傳感器溫 度冷卻至比所需調節溫度更低時,將調節扳手順時針轉動即可。 (5)系統停止運行時,先關閉熱媒進口截止閥,再關閉系統循環泵。 自力式溫度調節閥故障分析及解決方法 : (1)出水溫度偏低 1、檢查溫度設定是否偏低,利用調節旋鈕,提高出水設定溫度。若出水溫度仍然停滯不動,則應從以下幾方面檢查: 2、按實際工作熱負荷,計算判斷溫控閥是否選型過小或一次熱媒壓力過低,則需少量打開旁通閥作為輔助。 3、換熱器輸水閥排水是否堵塞或阻力太大,造成堵汽,則需要打開疏水閥旁通。 4、閥桿因受熱抱死,造成閥門無法打開,此時,只需要用內六方扳手按逆時針方向輕微調整調節閥旋鈕即可。 5、溫控閥內有異物堵塞,或閥前過濾堵塞,影響過汽,如有,請及時疏通。 6、檢查毛細血管是否與高溫蒸汽管路搭接。造成額外感溫。 (2) 出水溫度過低 1、檢查旁通是否泄漏或未關閉。 2、觀察閥桿是否動作,若閥桿不工作,處于開啟狀態,則檢查導管或感溫探頭是否泄漏,造成壓力無法傳遞。如有泄漏,應及時更換執行器。 3、溫度設定過高,可利用調節旋鈕,調低出水溫度。 4、按照實際熱負荷工況,根據一次熱媒溫度、壓力、用量、蒸氣凝結水溫度,及二次熱媒溫差,流量,進行熱平衡計算,確定溫控閥是否選型偏大,。 5、閥體內漏,拆下閥體,檢查閥口密封處是否被焊渣等異物卡住或劃傷,造成缺口。 設備保養 1、盡量保證機房處于干燥通風狀態,以免生銹老化。 2、長時間停機時,盡量保證一次管網內處于干燥狀態。 3、長時間停機后,將閥桿及壓塞處擦干并涂抹黃油防護,以免生銹或密封件氧化以及干燥粘結。 自力式溫度調節閥保修范圍: 1、自力式溫度調節閥在正確的安裝使用和維護下會穩定發揮卓越的性能。 2、本產品自出廠之日起(見產品編號)因閥門本身質量問題憑保修卡免費質保一年。 3、在選用本產品 15天以內,產品自身出現任何質量問題,用戶可與我公司進行同型號新機更換,也可進行免費維修。
|